Limesring - Donau Forum - der Treffpunkt für Donau Wassersportler
Donau Forum - der Treffpunkt für Donau Wassersportler  

Zurück   Donau Forum - der Treffpunkt für Donau Wassersportler > Pinnwand > Suche

Suche Privat von Privat

Antwort
 
Themen-Optionen Thema durchsuchen
  #1  
Alt 12.08.2010, 17:12
Benutzerbild von Bootammeer
Bootammeer Bootammeer ist offline
Fregattenkapitän
 
Registriert seit: 30.05.2009
Ort: zuhause
Betriebsstunden aktuelle Saison: 60
Beiträge: 925
Thanks: 646
Erhielt 915 mal Danke in 596 Beiträgen
Standard Limesring

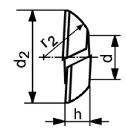
[IMG]file:///C:/Users/Markus/AppData/Local/Temp/moz-screenshot-1.png[/IMG]Hallo Leute ich suche einen Limesring Maße innen 18,5mm außen 27mm höhe 3 mm Wo kann ich so etwas kaufen !
finde diese Größe nirgends !!!
Angehängte Grafiken
 
__________________

Mit Zitat antworten
  #2  
Alt 12.08.2010, 17:21
Benutzerbild von Kombüsenprüfling
Kombüsenprüfling Kombüsenprüfling ist offline
Fregattenkapitän
 
Registriert seit: 08.01.2010
Beiträge: 819
Thanks: 284
Erhielt 937 mal Danke in 609 Beiträgen
Meine Stimmung: entspannt
Standard

So isser unser Markus: Kaum frisch verliebt, schon auf der Suche nach nem neuen "Liebesring"
__________________
Viele Grüße,

Michl



Stau ist nur hinten blöd, vorne geht's eigentlich
Mit Zitat antworten
Folgender Benutzer bedankt sich für diesen Beitrag:
  #3  
Alt 12.08.2010, 19:37
Benutzerbild von michludi
michludi michludi ist offline
Flotillenadmiral
 
Registriert seit: 24.12.2008
Ort: 75177 Pforzheim
Hafen: Trailer
Mein Boot: Sealine 218
Bootsname: MaLu
Betriebsstunden aktuelle Saison: 5,6
Beiträge: 2.385
Thanks: 1.273
Erhielt 1.813 mal Danke in 1.092 Beiträgen
Meine Stimmung: gut
Standard

hast recht Michl
ober 18,5 mm innen is scho ganz schön klein ! ! !
__________________
Grüße aus Mittelfranken
von Michael
Mit Zitat antworten
Folgender Benutzer bedankt sich für diesen Beitrag:
  #4  
Alt 12.08.2010, 19:55
Benutzerbild von Bootammeer
Bootammeer Bootammeer ist offline
Fregattenkapitän
 
Registriert seit: 30.05.2009
Ort: zuhause
Betriebsstunden aktuelle Saison: 60
Beiträge: 925
Thanks: 646
Erhielt 915 mal Danke in 596 Beiträgen
Standard

Zitat:
Zitat von Kombüsenprüfling Beitrag anzeigen
So isser unser Markus: Kaum frisch verliebt, schon auf der Suche nach nem neuen "Liebesring"

Man oh man ! Das hätte ich mir ja gleich denken können



Aber das habe ich zum glück nicht nötig das wird erst so in deinem alter kommen




Zitat:
Zitat von michludi Beitrag anzeigen
hast recht Michl
ober 18,5 mm innen is scho ganz schön klein ! ! !
Warum klein ?? Eng muss es sein
__________________

Mit Zitat antworten
  #5  
Alt 12.08.2010, 20:55
Benutzerbild von Bootammeer
Bootammeer Bootammeer ist offline
Fregattenkapitän
 
Registriert seit: 30.05.2009
Ort: zuhause
Betriebsstunden aktuelle Saison: 60
Beiträge: 925
Thanks: 646
Erhielt 915 mal Danke in 596 Beiträgen
Standard

So jetzt habe ich einen gefunden
__________________

Mit Zitat antworten
  #6  
Alt 13.08.2010, 07:45
Benutzerbild von Kombüsenprüfling
Kombüsenprüfling Kombüsenprüfling ist offline
Fregattenkapitän
 
Registriert seit: 08.01.2010
Beiträge: 819
Thanks: 284
Erhielt 937 mal Danke in 609 Beiträgen
Meine Stimmung: entspannt
Standard

Zitat:
Zitat von Bootammeer Beitrag anzeigen

Man oh man ! Das hätte ich mir ja gleich denken können



Aber das habe ich zum glück nicht nötig das wird erst so in deinem alter kommen






Warum klein ?? Eng muss es sein
Aber Markus In MEINEM Alter braucht man nen neuen Golfbag
__________________
Viele Grüße,

Michl



Stau ist nur hinten blöd, vorne geht's eigentlich
Mit Zitat antworten
  #7  
Alt 13.08.2010, 09:17
Benutzerbild von Bootammeer
Bootammeer Bootammeer ist offline
Fregattenkapitän
 
Registriert seit: 30.05.2009
Ort: zuhause
Betriebsstunden aktuelle Saison: 60
Beiträge: 925
Thanks: 646
Erhielt 915 mal Danke in 596 Beiträgen
Standard

Zitat:
Zitat von Kombüsenprüfling Beitrag anzeigen
Aber Markus In MEINEM Alter braucht man nen neuen Golfbag
So schlimm

Aber für eure Nummer 2 wirst dich schon noch einmal zusammen reißen oder
__________________

Mit Zitat antworten
  #8  
Alt 13.08.2010, 09:46
Benutzerbild von Kombüsenprüfling
Kombüsenprüfling Kombüsenprüfling ist offline
Fregattenkapitän
 
Registriert seit: 08.01.2010
Beiträge: 819
Thanks: 284
Erhielt 937 mal Danke in 609 Beiträgen
Meine Stimmung: entspannt
Standard

Zitat:
Zitat von Bootammeer Beitrag anzeigen
So schlimm

Aber für eure Nummer 2 wirst dich schon noch einmal zusammen reißen oder
FREILICH!!!!!!
__________________
Viele Grüße,

Michl



Stau ist nur hinten blöd, vorne geht's eigentlich
Mit Zitat antworten
Antwort

Lesezeichen


Aktive Benutzer in diesem Thema: 2 (Registrierte Benutzer: 0, Gäste: 2)
 

Forumregeln
Es ist Ihnen nicht erlaubt, neue Themen zu verfassen.
Es ist Ihnen nicht erlaubt, auf Beiträge zu antworten.
Es ist Ihnen nicht erlaubt, Anhänge hochzuladen.
Es ist Ihnen nicht erlaubt, Ihre Beiträge zu bearbeiten.

BB-Code ist an.
Smileys sind an.
[IMG] Code ist an.
HTML-Code ist aus.

Gehe zu


Alle Zeitangaben in WEZ +2. Es ist jetzt 02:32 Uhr.


Powered by vBulletin® Version 3.8.6 (Deutsch)
Copyright ©2000 - 2026, Jelsoft Enterprises Ltd.
Template-Modifikationen durch TMS
Alle Rechte bei Olaf Schuster